网站首页  |  联系我们  |  下载中心 
网站首页 关于我们 新闻中心 产品展示 案例分享 市场活动 下载中心 客户留言 人才招聘 联系我们
栏目导航
新功能模块FMB FMS
电动执行器Rexroth电缸
IMS集成式测量系统
Rexroth直线运动系统
力士乐滚珠导轨
力士乐导轨
力士乐滑块
经济型滚珠导轨BSCL
凸轮滚子滚轮导轨
力士乐滚柱导轨
力士乐滚柱滑块
力士乐滚柱重载导轨
经济型滚柱导轨RSFL
力士乐滚珠丝杠
力士乐丝杠
力士乐螺母
丝杠端部组件
Rexroth轴承
eLINE滚珠导套和轴
滚珠导套和轴
力士乐精密钢轴
万向滚珠单元
Rexroth导轨滑块配件
力士乐工业液压
联系我们
地址: 江苏省昆山市城北大道1288号4号楼
电话: 0512-3668 8338
传真: 0512-3668 8339
邮箱: info@debonseiko.com
网址: http://www.debonseiko.com
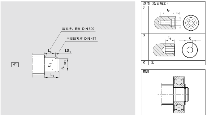
您的当前位置:首页 > 产品信息 > 力士乐丝杠 > REXROTH滚珠螺杆轴端加工方式41
产品名称:REXROTH滚珠螺杆轴端加工方式41
产品详细说明

力士乐REXROTH滚珠螺杆轴端加工方式41

滚珠螺杆订货示例:SEM-E-S 20 x 5R x 3-4 1 2 T7 R 41Z120 82Z120 1250 1 0

亦可提供图纸,对螺杆轴端进行加工,请联络我们的销售人员:0512-3668 8338.

友情链接:
地址:江苏省昆山市城北大道1288号4号楼  电话:0512-3668 8338    
CopyRight © 2026 昆山德邦精工自动化科技有限公司  版权所有  苏ICP备13041348号-6后台管理